<

HangZhou  Chinabase Machinery  Co.  Ltd.

|| SiteMap || Line
  Home     About hzpt     News     Products     Technology Center     Contact

 

EP403T2 TRACK DRIVES-(703C2H),
EP403W2 WINCH DRIVES,
EP603L2 WHEEL DRIVES

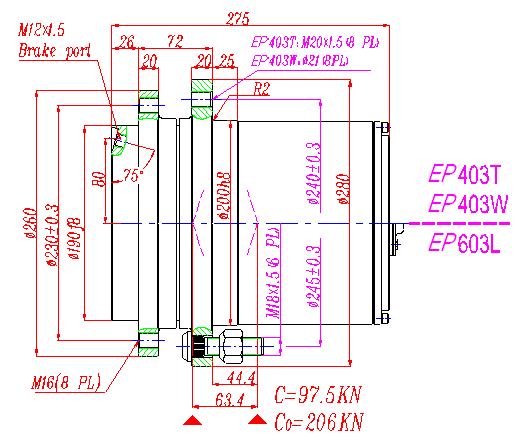
EP403T2  TRACK DRIVES-(703C2H),EP403W2  WINCH DRIVES,EP603L2  WHEEL DRIVESS

Technical specification


Max.Output Torque
(N.m)

Ratio
(i)

Recommend Hydraulic Motor

Max. input speed
(rpm)

Brake torque
(N.m)

Brake work pressure
(bar)

EP402T

EP402W

EP602L

7000

----

7000

18.6
24.4
29.3
37.1

EATON, 2K
SAE A adopt
¦Õ25 Shaft Z13,DP16/32 Spline

4000

----

----

    • Input rotation opposite output rotation.
    • Other ratio and other input type can be specially designed.
    • If with manual disconnect device, please add mark ¡°M¡± at the end of the product model.
    • Without brake.



    Back To Planetary GearBox



 

Home | About | News | |Products | Technology Center | Contact | SiteMap | links

Tel: 0086-571-88220971/3 Fax: 86-571-85865066
E-mail: export@speedreducer.org or sales@speedreducer.org
 
Copyright 2012 <Chinabase> All rights reserved. ICP: 05007255